Specific case
This story dedicated to FASM forumers, who have been interesting with my previous card. You may found it at this page in russian or here at forum. It is universal: supports ROM from 2 KB till 64 KB, thus slightly complex, so I decide to make more simple card.
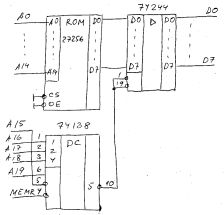
I took an old broken SVGA card with ROM socket. It had no already ROM installed. I have inspected it and found that ROM socket have 15 address lines connected (A0 - A14) - thus it must be 32 KB ROM, eg. 27256. Selection scheme: ROM has permanently grounded both OE and CS pins, thus ROM is always on, ROM outputs are connected to ISA bus through bus driver 74244. Turning bus driver on is used to connect ROM outputs to PC bus. To open bus driver I decided to use 74138 chip and lines A19 - A15 and MEMR signal.

Next step I did was removing extra components and cutting off not needed parts of board. Then I've been supposing ways for wires and place to install 74138 chip. At this place I have cut off all surface connectors. One hole was connected to ground, so I deside to not use it as it has connection inside board to internal grounding foil, so I just fold out this pin of 74138. Then I did drilling holes and soldering wires.

Finally I have insert there 27512 with a BIOS to test (as I had no ready 27256) and insert board into ISA slot of my PC. After running DOS I have inspected area D000:0000 - D000:7FFF and found there data from high part of 27512 (as pin A15 of 27512 is match to Vpp pin of 27256 and connected to +5 V, what is equal to A15="1").
If you have not needed old motherboard, you may use it as some controlling system cheap nearly free of charge with this extended ROM card to boot it without disk. The way to build your card vary very much on what materials you have, on your experience and skill in electronics. Good luck!