При всех своих известных недостатках картонная плата обладает рядом преимуществ: она ничего не стоит, для нее всегда есть материал и для работы с ней не требуется каких-либо инструментов. Устройство, созданное на такой плате из малоценных деталей, можно не разбирать, если оно уже не нужно, а хранить (или выбросить) целиком в отличие от собранных на ценной макетке. Правда, картон для такой платы нужно выбирать попрочнее.
Размещать дискретные элементы на такой плате можно по ходу сборки, а при использовании микросхем рекомендую схему расположения распечатать заранее на принтере и потом просто наклеить сверху на картон, для чего удобно заготовить шаблоны под посадочные места в любом графическом редакторе. Естественно, это не отменяет предварительно разработанной электрической схемы устройства, а также хотя бы продуманной в голове схемы расположения деталей. Отверстия удобно прокалывать при помощи канцелярской кнопки с ручкой, но в очень плотном картоне возможно придётся воспользоваться шилом.
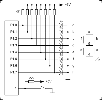
Схема типовая... Вместо 580ИР82 можно использовать 74573 или 74373 с изменением разводки.

Устройство после сборки
Для быстрой проверки устройства к нему были непосредственно припаяны светодиоды и написана тестовая программа, имитирующая уличный светофор. (скачать программу)

Работа светофора
Окончательно доработанное "устройство" с "пультом"
схема

Работа программы, имитирующей игральный кубик (1..9)