Наведений генератор дозволяє формувати імпульси трикутної форми змінної полярності з використанням однополярного джерела живлення.
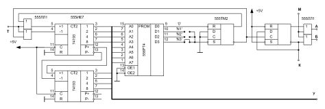
Функціонально генератор складається з реверсивного лічильника, ЦАП і комутатора полярності.

Реверсивний лічильник побудований на дискретних елементах для досягнення можливості роботи на відносно високих частотах, в іншому разі доцільнішим є використання мікроконтролерів.
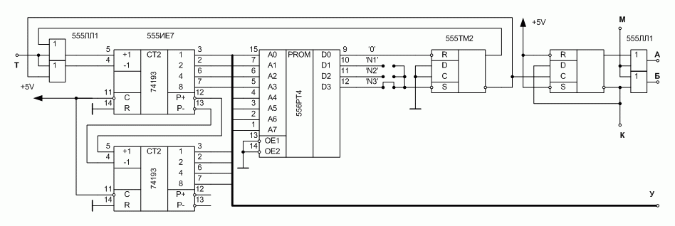
Т - вхід тактовної частоти задаючего генератора
А, Б - виходи керування комутатором полярності, активний логічний рівень - низький
М - модулюющий вхід, високий логічний рівень блокує відкриття комутатора полярності
У - керування ЦАП
К - вихід для контроля частоти вихідного сигналу
Реверсивний лічильник рахує від 0 до певного значення, після чого рахує в зворотньому напрямку до 0, і знов рахує вгору. Напрямок рахування змінюється тригером, яким керує схема порівняння поточного значення з нулем та завданим коефіцієнтом перерахунку (такий механізм дозволяє виключити дублювання кінцевих значень як в схемах з інверсією виходу за допомогою елементів "виключає або"). По досягненню лічильником нульового значення змінюється стан іншого тригера, який вибирає полярність вихідного сигналу.
Схема порівняння побудована на основі ПЗП 556РТ4, що дозволяє легко завдати 3 довільних фіксованих коефіцієнти перерахунку без зміни схеми. Замість 556РТ4 можно застосувати інші ПЗП або використати інші схеми порівняння, побудовані на дискретних елементах, наприклад так:
Схема реверсивного лічильника побудована на основі двох лічильників 555ИЕ7 і дозволяє використовувати коефіцієнти перерахунку до 255 і ЦАП розрядністю до 8 біт, але на практиці поки що були використани тількі 4-бітний ЦАП і коефіцієнти перерахунку 10 та 15, що пов'язано з обмеженнями, які накладаються частотою.
Залежність частоти задаючего генератора (Fзад) від необхідної на виході (Fвих) визначається формулою:
Fзад = 4*К*Fвих
- де К - коефіцієнт перерахунку, тобто наприклад для К=250 частота вихідного сигналу буде в 1000 разів меньша за частоту задаючего генератору, а для К=10 і К=15 - в 40 та 60 разів відповідно. Максимальна частота задаючего генератора обмежена параметрами елементів, що застосовани, для 555ИЕ7 вона складає 15 МГц, що за коефіцієнта перерахунку 15 відповідає частоті 250 кГц для вихідного сигналу.
Приклад прошивки ПЗП для коефіцієнтів 10, 15 та N:
| Адреса в ПЗП | D0 | D1 | D2 | D3 |
|---|---|---|---|---|
| 00000000 | 0 | 1 | 1 | 1 |
| ... | 1 | 1 | 1 | 1 |
| 00001010 (K=10) | 1 | 0 | 1 | 1 |
| ... | 1 | Х | 1 | 1 |
| 00001111 (K=15) | 1 | Х | 0 | 1 |
| ... | 1 | Х | Х | 1 |
| ???????? (K=N) | 1 | Х | Х | 0 |
Під час ввімкнення живлення лічильники знаходяться в довільному стані, у тому числі їх початкове значення може бути за межами "робочої зони"(0-N), тому при програмуванні ПЗП важливо приділити увагу, щоб усі біти D0, окрім першого, дорівнювали одиниці - це виключе ситуацію зациклення лічильників за межою "робочої зони рахування".
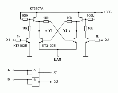
Струмовий ЦАП побудований на основі 155ЛИ1, яка виконує роль буфера, і транзисторних ключах з резисторами. Резистори обирались із розрахунку опору навантаження 100 Ом - 1 кОм, опір повністью відкритого ЦАП наближається до 5 кОм. Струм короткого замикання за напруги 30В і повністю відкритого ЦАП наближається до 6мА. Припустима напруга, що прикладається, визначається граничними параметрами транзисторов. Вільний вхід 155ЛИ1 також можливо застосовувати для комутації вихідного сигналу. Змінюючи співвідношення резисторів можливо отримувати на виході сигнали іншої симетричної форми, наприклад, синусоіду.

Комутатор полярності є симетричною схемою на транзисторах. Для відкриття плечей використовуються інвертори на 155ЛА3. Плече відкривається низьким логічним рівнєм на вході. Одночасне відкриття обох плечей неприпустиме, оскільки відкривається наскрізний струм повз навантаження. Але в даному разі захист від такої ситуації не є потрібним, оскільки максимальний струм є обмеженим ЦАП і значно нижчим, ніж припустимий струм для застосованих транзисторів. Номінали резисторів для цієї схеми обрані емпірично.

Вхід М реверсивного лічильника може бути використаним різними способами: заповнення вихідного трикутного сигналу прямокутними імпульсами, блокування півхвиль певної полярності, вставка розривів між хвилями тощо.
Задаючий генератор можна побудувати за будь-якою схемою, наприклад, так:

Наведена схема дозволяє отримати частоти від 5-6 кГц до 4-5 МГц. Схема є чутливою до використаних елементів: подальше збільшення змінного резистора призведе до зриву генерації, зменьшення або вилучення резистора, що є включеним послідовно зі змінним, призведе до різкого збільшення частоти, разом з тим частота генерації буде суттєво нестабільна. В будь-якому разі такий генератор бажано дослідити перед використанням, підібираючи елементи досягти стабільної роботи. При розбиванні частотного диапазону на піддиапазони бажано передбачити їх перекриття, щоб не отримати "мертвих зон" проміж піддиапазонами. При використанні інших типів микросхем (К555ЛА3, 74LS00 та інших) номінали елементів можуть суттєво відрізнятись від вказаних на схемі.
Приклади отриманого сигналу: