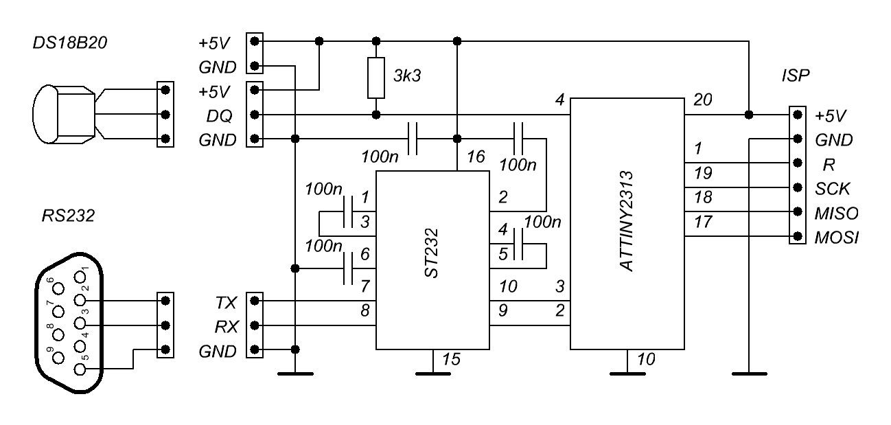
Посылаем в COM-порт символ 'T' - получаем из порта температуру. Или '?' если датчик не удалось считать.
Параметры обмена: 9600, 8 бит, проверки четности нет, 1 стоп-бит.
Фьюзы: CKDIV8 - 1, CKSEL3...0 - 0100 (частота - 8МГц)
На плате, кроме указанных на схеме, на отдельный разъем выведен полностью порт B, а также пин D6, что позволяет расширять область применения устройства.
